平成24年度春期午後Ⅱ【問2】

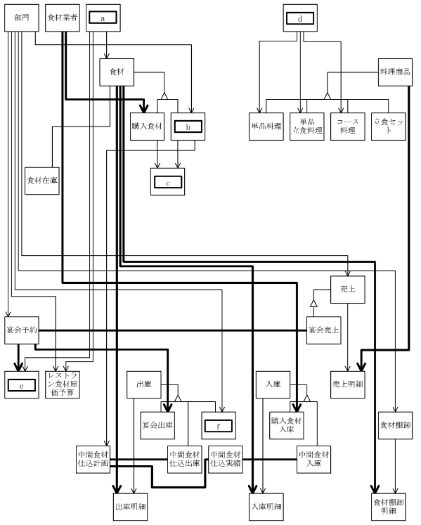
a. 食材分野
b. 中間食材
c. 中間食材構成
d. 料理分野
e. 宴会場食材原価予算
f. レストラン出庫

食材区分の取り得る二つの値は,同時に成立する可能性があるにもかかわらず,一つの区分にしていた。

異なる区分値が同時に成立し得る場合,別々の区分にする。

タイトルとURLをコピーしました